Temelelektronik.info

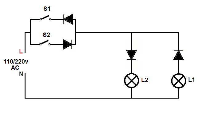
2 lamba, 2 anahtarla tek kablo üzerinden kontrol - diode,lamp

Devre


Bu devre Eylül ayından itibaren 3365  defa ziyaret edilmiştir.

Video

Açıklama

Kaynak:https://engmousaalkaabi.blogspot.com/2016/05/2-lamps-2-switchs-1-wire.html
proje