Temelelektronik.info

Wav uzantili kapi zili

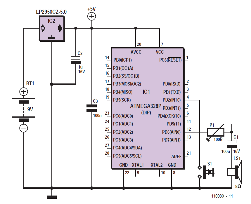
Devre


Bu devre Eylül ayından itibaren 1487  defa ziyaret edilmiştir.